2024-11-28 13:03:32保定海灣BHD51 系列防爆接線盒接線技術
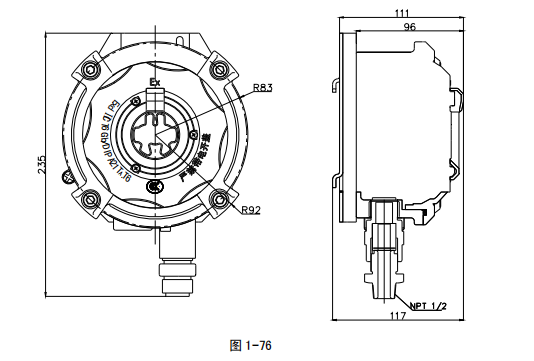
海灣BHD51 系列防爆接線盒接線技術適用范圍BHD51 系列防爆接線盒防爆性能完全符合 GB3836.1《爆炸性氣體環境用電氣設備 第 1 部分: 通 用要求》及 GB3836.2《爆炸性氣體環境用電氣設備 第 2 部分: 隔爆型 “d”》標準要求,本系列 產品適用于 IIB ......
了解詳情海灣安全技術有限公司
公司地址:蘇州市常熟市黃河路275號
聯系電話:4006-598-119
公司郵箱:1334605518@qq.com

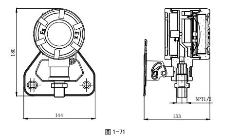
海灣BHD51 系列防爆接線盒接線技術適用范圍BHD51 系列防爆接線盒防爆性能完全符合 GB3836.1《爆炸性氣體環境用電氣設備 第 1 部分: 通 用要求》及 GB3836.2《爆炸性氣體環境用電氣設備 第 2 部分: 隔爆型 “d”》標準要求,本系列 產品適用于 IIB ......
了解詳情
特點海灣JB-KR-GSTN004可燃氣體報警控制器用于配接海灣編碼型可燃氣體探測器、編碼型聲光警報 器和編碼型模塊等,構成可燃氣體監測報警及控制系統,實現可燃氣體濃度顯示、可燃氣體濃度超 限報警和報警控制等功能。海灣JB-KR-GSTN004為非防爆型室內使用產品,應安裝在安全......
了解詳情
海灣GST-BF003M點型可燃氣體探測器傳感器防護罩特點海灣GST-BF003M 點型可燃氣體探測器傳感器防護罩可安裝在GST-BF003M 型點型可燃氣體探測器上,使探測器的防護等級由 IP63 提升至 IP65。結構特征、安裝方法 該防護罩為不銹鋼材質,外形尺寸如圖 1-9......
了解詳情
特點 海灣GST-BF003M型點型可燃氣體探測器是一種安裝在爆炸性危險環境的氣體探測設備,它將現場的 可燃氣體濃度轉換成數字信號并傳送到位于安全區的 GST 系列可燃氣體報警控制器,以達到監測現 場可燃氣體濃度的目的。本產品符合 GB 3836.1‐2010 爆炸性環境第 1 ......
了解詳情
特點 海灣J-SAM-GST9116手動火災報警按鈕安裝在船舶及工業防爆場所,當人工確認火災發生后按下報 警按鈕上的按片,可發出火災報警信號。報警按鈕既可以工作在編碼模式:即與我公司生產的聯動型火災報警控制器連接,通過總線傳 遞信息;也可以工作在非編碼模式:直接與 DC24V 連......
了解詳情
特點 海灣JTG-UM-GST9616點型紅外火焰探測器是一種復合紅外火焰探測器,它可以通過探測火焰在紅 外光區兩個波段的光信號來判斷火災。本探測器適用于探測含碳材料產生的明火燃燒,應用于火災 初期以火焰為主的大空間場所。 本探測器可通過總線與我公司生產的火災報警控制器通信傳遞信......
了解詳情
特點 海灣JTG-ZM-GST9614點型紫外火焰探測器為感光型火災探測器,它通過探測物質燃燒所產生的紫外 線來探測火災,適用于火災發生時易產生明火的場所。對發生火災時有強烈的火焰輻射或無陰燃階 段的火災以及需要對火焰作出快速反應的場所均可采用本探測器。防爆性能符合 GB 383......
了解詳情
特點海灣JTY-HM-GST9615線型光束感煙火災探測器(以下簡稱探測器)為隔爆型反射式線型紅外光束感 煙探測器。本探測器具有兩種信號輸出方式:總線輸出方式和觸點輸出方式。當探測器與我公司生 產的控制器連接使用時,可通過總線完成二者間狀態信息的傳遞,探測器本身可通過我公司生產的......
了解詳情